Email Us

BT Shrink Fit Chuck 4.5°, Coolant

BT standard Shrink fit Chuck use Heat resistant hot-working steel to clamp HSS and solid carbide tools via steel thermal expansion character. 0,003 mm accuracy and precise taper tolerances improve tool life, subsequent fine balancing bring Better surface quality and Low wear of the machine spindle    

1. High runout accuracy (< 0.003 mm)                  

2. Extreme clamping torque by high pressing in the clamping bore                               

3. Short chamfer  

4. Threaded bores for simple and fast balancing with screws 

5. With coolant channel on the cutter end


Buy BT Shrink Fit Chuck 4.5°, Coolant

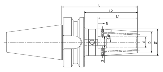
TECHNICAL DRAWING OF BT SHRINK FIT CHUCK 4.5°, COOLANT

SHRINK FIT CHUCK
ADVANTAGES
FEATURES
WORKING PRINCIPLE

Bright Tools Shrink Fit Tool Holder Material

Shrink Fit Chuck of Heat Shrink Machine For Tool Holders

Shrink Fit Chuck Features of Heat Shrink Holders

Shrink Fit Chuck of Heat Shrink Machine For Tool Holders

SPECIFICATION OF BT SHRINK FIT CHUCK 4.5°, COOLANT

SPECIFICATION OF BT SHRINK FIT CHUCK 4.5°, COOLANT

SizedDD1LL2L1NG
BT40-SF03-80K315208053---
BT40-SF04-80K415208053---
BT40-SF05-80K515208053---
BT40-SF06-90K6212790633610M5
BT40-SF08-90K8212790633610M6
BT40-SF10-90K10243290634210M8x1
BT40-SF12-90K12243290634710M10x1
BT40-SF14-90K14273490634710M10x1
BT40-SF16-90K16273490635010M12x1
BT40-SF18-90K18334290635010M12x1
BT40-SF20-90K20334290635210M16x1
BT40-SF25-100K254453100735810M16x1
BT40-SF32-100K324453100736210M16x1









BT40-SF06-120K62127120933610M5
BT40-SF08-120K82127120933610M6
BT40-SF10-120K102432120934210M8x1
BT40-SF12-120K122432120934710M10x1
BT40-SF14-120K142734120934710M10x1
BT40-SF16-120K162734120935010M12x1
BT40-SF18-120K183342120935010M12x1
BT40-SF20-120K203342120935210M16x1
BT40-SF25-120K254453120935810M16x1
BT40-SF32-120K324453120936210M16x1









BT40-SF06-160K621321601333610M5
BT40-SF08-160K821321601333610M6
BT40-SF10-160K1024341601334210M8x1
BT40-SF12-160K1224341601334710M10x1
BT40-SF14-160K1427421601334710M10x1
BT40-SF16-160K1627421601335010M12x1
BT40-SF18-160K1833511601335010M12x1
BT40-SF20-160K2033511601335210M16x1
BT40-SF25-160K2544531601335810M16x1
BT40-SF32-160K3244531601336210M16x1









BT50-SF06-100K62127100623610M5
BT50-SF08-100K82127100623610M6
BT50-SF10-100K102432100624210M8x1
BT50-SF12-100K122432100624710M10x1
BT50-SF14-100K142734100624710M10x1
BT50-SF16-100K162734100625010M12x1
BT50-SF18-100K183342100625010M12x1
BT50-SF20-100K203342100625210M16x1
BT50-SF25-110K254453110725810M16x1
BT50-SF32-110K324453110726210M16x1









BT50-SF06-120K62127120823610M5
BT50-SF08-120K82127120823610M6
BT50-SF10-120K102432120824210M8x1
BT50-SF12-120K122432120824710M10x1
BT50-SF14-120K142734120824710M10x1
BT50-SF16-120K162734120825010M12x1
BT50-SF18-120K183342120825010M12x1
BT50-SF20-120K203342120825210M16x1
BT50-SF25-120K254453120825810M16x1
BT50-SF32-120K324453120826210M16x1









BT50-SF06-160K621321601223610M5
BT50-SF08-160K821321601223610M6
BT50-SF10-160K1024341601224210M8x1
BT50-SF12-160K1224341601224710M10x1
BT50-SF14-160K1427421601224710M10x1
BT50-SF16-160K1627421601225010M12x1
BT50-SF18-160K1833511601225010M12x1
BT50-SF20-160K2033511601225210M16x1
BT50-SF25-160K2544601601225810M16x1
BT50-SF32-160K3244601601226210M16x1


CONTACT BRIGHT-TOOLS
Address:
253000, Chongde 5th Avenue, Gaotie New District, Dezhou, Shandong, China.
GET YOUR FREE CONSULTATION
Bright-Tools, Bright-Future
Address :
253000, Chongde 5th Avenue, Gaotie New District, Dezhou, Shandong, China.
Quick Links
Company BT Shrink Chuck, 3°, Regular, Form A AG90 Tool Holder Cleaning Device How to lock the SLA tool holders Tool Holder How many clamping methods? Bright-tools Tool Holders Match Other Brand Tool Holder Home CNC Tool Holders Videos 2026-BRIGHT-TOOLS Catalog ER Collet Chuck With UM Nut BBT ER Collet Chuck with UM Nut DIN69880-VDI Tool Holders ER Collet Chuck with Mini Nut DIN6499 ER Collet BT Pull Stud DIN 69871 ER Collet Chuck with UM Nut ANSI B5.50 ER Collet Chuck with UM Nut DIN 69893 (ISO 12164) HSK-E ER Collet Chuck DIN2080 ER Collet Chuck with Mini Nut 2026-SHRINK Tools Boring Tool Holders Morse Tool Holders MTA Morse Taper ER Collet Chuck B1A Radial, Short, Coolant HSK・T Boring Bar Holders 2 Piece BT Slim Shrink Fit Chuck BT Shrink Chuck, 3°, Slim, Form A BT Shrink Chuck, 3°, Slim, Form B HSK-A Shrink Chuck, 3°, Regular, Form A BT Shrink Chuck, 3°, Regular, Form B BT Shrink Chuck, 3°, Regular, Coolant NBT ER Collet Chuck ER Collet Chuck without Drive Slots with Hex Nut BMT OD Turning Tool Holder BMT Axial Driven Head, DIN 1809 JIS B 6339 Boring Tool Holder ER Nut-UM ER Spanner-Hex Tool Holders Bushing B Type About BRIGHT-TOOLS MTB Morse Taper ER Collet Chuck TECHNICAL DRAWING OF TG COLLET CHUCK Face Mill Holder Shrink Chuck Extension Reduction Sleeve for Boring Bar Holder Shrink Fit Machine, Standard AGU AG90-ER11 HSK to PSC Adaptor BT to PSC Adaptor SK to PSC Adaptor Turning Tool Holder Turning Tool Holder Your SLA Tool Holder Why it so expensive? MOD -CHANGE ADOPTER Tool Holder Adatper Install Time Heat Machines Operation Process This video is a detailed explanation of our tool holder taper cleaning machine Face Milling Cutters Face Milling Cutter, 43° OD06 End Milling Cutter, Round Inserts Face Milling Cutter, 45° SN1206 Face Milling Cutter, Round Inserts RP0802 Face Milling Cutter, AMPT Inserts APMT1135 High-feed Face Milling Cutter LN0303 End Milling Cutter, Round Inserts RD10T3 End Milling Cutter, AMPT Inserts APMT 1604PDER Screw-in Milling Cutter, Round Inserts Screw-in Milling Cutter, Round Inserts RP0802 Screw-in Milling Cutter, AMPT Inserts APMT 1135PDER AP Inserts AP1135 Inserts RP0802 Inserts Copy Milling Cutter RD..0501 Products Static and Driven Tools BT40 SFS 06 160 3° CNC Tool Holders/ER Tool Holders Collet ER Collet Set SK Pull Stud Boring Tool Holders Accessories ER Collet Chuck with Hex Nut DIN 69871ER Collet Chuck with Hex Nut ANSI B5.50 ER Collet Chuck with Hex Nut DIN 69893 (ISO 12164) HSK-E Face Mill Holders DIN2080 ER Collet Chuck with UM Nut 2026-HY Tools DIN69880-VDI Coolant Tool Holders B2A Radial, Short, Coolant HSK・T Turning Tools SBH for External and Facing Shrink Chuck Extension Slim HSK-A Shrink Chuck, 3°, Slim, Form A HSK-A Shrink Chuck, 3°, Slim, Form B HSK-E Shrink Chuck, 3°, Regular, Form A HSK-A Shrink Chuck, 3°, Regular, Form B ER Collet Chuck without Drive Slots with MS Nut BMT Radial Driven Head, DIN 1809 DIN 69871 Boring Tool Holder MTA Morse Taper OZ Collet Chuck ER Nut-Hex ER Spanner-Mini Tool Holders Bushing J Type Technique Help MTB Morse Taper OZ Collet Chuck Advantages Reduction Sleeve for Boring Bar Holder SL40-20 Locking Device for 7/24 And HSK Taper tool holders Tool Holder Trolley Standard AG90-ER16 AG90-ER20 AG90-ER25 AG90-ER32 AG90-ER40 AG90-BT30 AG90-BT40 AGB-BT40 AG90-BT50 AG90-ER16X2 AG90-ER20X2 AG90-ER25X2 AG90-ER32X2 AG90-ER40X2 AG90-BT40X2 AG90-F50 AG90-F63 AG90-F80 AG90-F100 AGU-ER16 AGU-ER20 AGU-ER25 AGU-ER32 AGU-BT50 Do You Want Be Shining of You Tool Holders? Plz Choose Our Cleaning Devices BBT ER Collet Chuck with Hex Nut Heat shrink machine operation process END Milling Cutters Face Milling Cutter, 45° Face Milling Cutter, 45° SE13T3 Face Milling Cutter, Round Inserts RP..1003/RD..1003 Face Milling Cutter, AMPT Inserts APMT1604 High-feed Face Milling Cutter SD1205 End Milling Cutter, Round Inserts RP1003 End Milling Cutter, AMPT Inserts End Milling Cutter, AMPT Inserts APMT1135PDER Screw-in Milling Cutter, Round Inserts RP1003 Screw-in Milling Cutter, AMPT Inserts Screw-in Milling Cutter, AMPT Inserts APMT 1604PDER AP1604 Inserts HN0906 Inserts RP1003 Inserts Copy Milling Cutter RD..0602 Bright-tools to Exhibit at China CCMT 2026 Fair in Shanghai Shrink Fit Chuck – Types & Features SHRINK FIT MACHINES Company Boring Tools BT Hydraulic Chuck, Standard Introduction of Heat-Shrinkable Toolholders Pull Stud ISO 7388 Pull Stud Radial Holder Form B1 Right, Short ER Collet Chuck with Mini Nut DIN 69871 ER Collet Chuck with Mini Nut DIN 69893 (ISO 12164) HSK-E Weldon End Mill Holders DIN2080 Power Milling Chuck BMT Tool Holder B3A Radial, Short, Coolant HSK・T Turning Tools SBV for External and Cut-off BT Shrink Fit Chuck 4.5° BT Slim Shrink Fit Chuck 3° HSK-E Shrink Chuck, 3°, Slim, Form A HSK-E Shrink Chuck, 3°, Slim, Form B HSK-F Shrink Chuck, 3°, Regular, Form A HSK-E Shrink Chuck, 3°, Regular, Form B NBT SKS Collet Chuck ER Collet Chuck without Drive Slots with UM Nut BMT Double OD Turning Tool Block VDI Axial Driven Head, DIN 1809 DIN 69893 HSK-A Boring Tool Holde MTA Morse Taper Face Mill Holders Rubber Sealed Collet ER Nut-Mini ER Spanner-UM Tool Holders Bushing C Type MTB Morse Taper Face Mill Holders Product Stucture Locking Device for 7/24 Taper tool holders Tool Holder Stand Operation Process of Tool Holder Cleaning Device Turning Tools for External and Facing BBT ER Collet Chuck with Mini Nut BBT Shrink Fit Chuck 4.5° ANSI B5.50 ER Collet Chuck ,SHORT 2026-MOD Tools ​Products | Hydraulic Collet Upgraded and New! Heat Shrink Machine Broken Blade Remover Flange Tool Holder Adatper Sleeve ER Collet Chuck , Module Face Milling Cutter, 45° HNMX 0906 Face Milling Cutter, 75° SN1206 Face Milling Cutter, Round Inserts RP..1204/RD..1204 End Milling Cutter, Round Inserts RP0802 High-feed End Milling Cutter LN0303 SCREW-IN Milling Cutters Screw-in Milling Cutter, Round Inserts RP1204 LN0303 Inserts RP1204 Inserts High-feed Screw-in Milling Cutter Copy Milling Cutter RD..0702 Hydraulic ER Collet Installation Procedure Services Standard Shrink Fit Chuck 4.5° Hydraulic Chuck Product Fine Boring Head CAT Pull Stud Radial Holder Form B2 Left, Short Collet Nut DIN2080 OZ Collet Chuck 2026-BT Tools B4A Radial, Short, Coolant HSK・T Turning Tools SBN for External and Facing BT Shrink Fit Chuck 4.5°, Coolant SK Slim Shrink Fit Chuck 3° HSK-F Shrink Chuck, 3°, Slim, Form A HSK-F Shrink Chuck, 3°, Slim, Form B BMT Face Turning Tool Holder VDI Radial Driven Head, DIN 1809 DIN 69893 HSK-F Boring Tool Holder MTB Morse Taper Combi Shell Mill Holders ER Nut-MS ER Spanner-MS Tool Holders Bushing DD Type Twin Cutter Rough Boring Head , SP/SC Tool Holder Cabinet DIN69880-VDI Tool Holder HSK・T Turning Tools SBT for External and Facing Product Structure Product Structure Product Structure BBT Hydraulic Chuck, Standard Tool Holder Cleaning Device ER Collet Chuck ,Short DIN 69871 ER Collet Chuck,Short Shrink Fit Machine,Cooling Anti Vibration Twin Cutter Rough Boring Head , CC ER Collet Chuck with Hex Nut DIN6499 Bright-tools Cutting Face Milling Cutter, 45° XNMX 0906 End Milling Cutter, Round Inserts RP1204 High-feed Screw-in Milling Cutter LN0303 Inserts OD0605 Inserts Copy Milling Cutter RD..0802 High-feed End Milling Cutter High-feed End Milling Cutter SD1205 Face Milling Cutter, 90° Solutions BBT Power Milling Chuck Tool Holder CNC Tools Shrink Fit Hydraulic Chuck Finishing BRIGHT-TOOLS CNC Tool Collet Spanner OTT Pull Stud Hook Spanner Radial Holder Form B3 Inverted Right, Short DIN 69871 Power Milling Chuck ANSI B5.50 Power Milling Chuck DIN 69893 (ISO 12164) HSK-E Spindle Test Arbor DIN2080 Face Mill Holders 2026-SK Tools B1B4A Radial, Short, Coolant SK Shrink Fit Chuck 4.5° HSK-A Slim Shrink Fit Chuck 3° SK Hydraulic Chuck, Standard GER Collet Chuck BMT Boring Bar Tool Holders VDI Axial Driven Head, Offset, DIN 1809 JIS B 6339 Bridge Boring Tool Holder GER Nut Tool Holders Bushing Z Type ER Sealed Collet, Rigid Boring Tool Holder Extension Tool Holders Bushing CV Type Tool Holder Trolley TH Tool Holder Trolley TL Tool Holder Trolley TD Tool Holder Cleaning Device Tool Holder Adatper Sleeve MQL1 Channel Shrink Fit Chuck How to Identify Different HSK Tool Holder Types for CNC Applications ER Collet Chuck with UM Nut DIN6499 CUTTERS Face Milling Cutter, 90° ZN 0806 RP Inserts High-feed Screw-in Milling Cutter JO..06T215 Copy Milling Cutter RD..10T3 Tool Holder Accessories Shrink Fit Tool Holder HSK-A Hydraulic Chuck, Standard BRIGHT-TOOLS Shrink Fit BRIGHT-TOOLS CNC Tool Holder Package ISO Pull Stud Ball Spanner Radial Holder Form B4 Inverted Left, Short ER Sealed Nut OZ Collet Chuck DIN2080 Combi Shell Mill Holders 2026-CAT Tools Boring Bar Reduction Sleeve B1B4AK Radial, Short, Coolant, Wedge Clamping Holders SK Shrink Fit Chuck 4.5°, Coolant HSK-E Slim Shrink Fit Chuck 3° Shrink Chuck Extension Coolant BMT Boring Bar Holder, Internal and External Coolant VDI Radial Driven Head, Offset, DIN 1809 MTA Straight Shank Tapping Chuck DIN 69871 Bridge Boring Tool Holde Boring Tool Holder Reducer ER COLLET CHUCK,SHORT BBT Power Milling Chuck SK Power Milling Chuck CAT Power Milling Chuck MQL2 Channel Shrink fit Chuck Damping Face Mill Holder DIN 69893 Bridge Boring Tool Holde How Hydraulic Chucks Work to Make Your CNC Life Easier Quick Change Tapping Chuck with Length Compensation Face Milling Cutter, Round Inserts SD1205 Inserts High-feed Screw-in Milling Cutter LO..0303 Copy Milling Cutter RD..1204 Face Milling Cutter, 90° WN0806 Hydraulic Chuck Catalog Slim Shrink Fit Chuck, 3° Mazak BT Pull Stud Radial Holder Form B5 Right, Long TG Collet Chuck DIN2080 Weldon End Mill Holders 2026-HSK-A Tools Tool Holders Bushing B2B3A Radial, Short, Coolant CAT Shrink Fit Chuck 4.5° HSK-E Hydraulic Chuck, Standard HSK-T Turning Tool DCLNR | DCLNL 95°/80° VDI Axial Driven Head, DIN 5480 Twin Cutter Rough Boring Head ER Sealed Collet OZ Nut BSB90° Boring Holder With Square Boring Bit TQC 45° Boring Holder With Square Boring Bit Machine Mazak CAT Pull Stud Products | In-depth analysis of APU and CPU drill chuck tool holder Damping Tuming Tool Holder Shrink Fit Machine Cooling Version Face Milling Cutter, AMPT Inserts SE13T3 Inserts High-feed Screw-in Milling Cutter LN..0303 FAQ BRIGHT-TOOLS CNC Parts Radial Holder Form B6 Left, Long Precision Screw Collet Chuck DIN 69871 OZ Collet Chuck DIN2080 Morse Taper Adapter with Tang 2026-HSK-T Tools Bridge Rough Boring Head Tool Holder Locking Device B2B3AK Radial, Short, Coolant, Wedge Clamping Holders CAT Shrink Fit Chuck 4.5°, Coolant Slim Shrink Chuck Extension 3° 2 Piece BT Slim Shrink fit Chuck, Coolant HSK-T Turning Tool PCLNR | PCLNL 95°/80° VDI Radial Driven Head, DIN 5480 SKS Nut What are BMT Tool Holders? Small Fine Boring Head NBJ20 Micro-Boring Bar HSK-A Shrink Chuck, 3°, Regular, Coolant HSK-F Hydraulic Chuck, Standard Hydraulic Chuck Features MOD Tool Holder Integral Damping Finishing Boring Tool Holder BH2084 Boring Tool Kit DCK5-FB50P Micro-Nishing Boring Kit DCK6-FB50P Micro-Nishing Boring Kit High-feed Face Milling Cutter SN1206 Inserts Bright-tools New JIS B 6339-BT Tool Holder Module Shrink Fit Chuck Power Milling Chuck Shrink Fit Chuck CNC Machine Tool Accessories Radial Holder Form B7 Inverted Right, Long ANSI B5.50 TG Collet Chuck DIN2080 Morse Taper Adapter with Drawbar B5AK Radial, Long, Coolant, Wedge Clamping Holders HSK-A Shrink Fit Chuck 4.5° HSK-T Turning Tool DCMNN 50°/80°/50° VDI Axial Driven Head, Offset, DIN 5480 HSK Coolant Tube ER Tapping Sealed Collet Tool Holder Cleaning Devices HSK-E Shrink Chuck, 3°, Regular, Coolant HSK-F Shrink Chuck, 3°, Regular, Coolant EMO Hannover-2023 BT Hydraulic Chuck, Slim XN0906 Inserts Square Shoulder Milling Cutter JDMT 0702 Contact Us JIS B 6339-BBT Tool Holders BBT SKS Collet Chuck Shrink Fit Tool Straight Shank Collet Radial Holder Form B8 Inverted Left, Long ANSI B5.50 Precision Screw Collet Chuck DIN2080 Tool Holders Adapter Sleeve B6AK Radial, Long, Coolant, Wedge Clamping Holders HSK-A Shrink Fit Chuck 4.5°, Coolant Shrink Fit ER Collet HSK-T Turning Tool PCMNN 50°/80°/50° VDI Radial Driven Head, Offset, DIN 5480 Clutch Drive Ring Working principle of hydraulic tool holder Angle Head Extended shrink fit chucks are available in stock SK Hydraulic Chuck, Slim Power Milling Chuck ZN Inserts Copy Milling Cutter Industry Solutions BRIGHT-TOOLS Tool Holders JIS B 6339-NBT Tool Holders BBT Face Mill Holders Tool Holders CNC Tool OZ Collet Axial Holder Form C1 Right DIN 69871 SKS Collet Chuck ANSI B5.50 Face Mill Holder Inch DIN2080 Drill Chuck Adapter 2026-NT Tools B7AK Radial, Long, Coolant, Wedge Clamping Holders HSK-E Shrink Fit Chuck 4.5° Shrink Fit ER Collet Extension VDI Axial Driven Head, DIN 5482 Retaining Screw Features Of Two Body Shrink Fit Chuck PSC CAT Hydraulic Chuck, Slim RD Inserts Search Result Customer Solutions DIN 69871-SK Tool Holders Breaking News! Here Comes the Robotic Arm! BBT Combi Shell Mill Holders SKS Collet Axial Holder Form C2 Left Pull Back Collet Chuck DIN 69871 Face Mill Holders DIN2080 APU Drill Chuck Holders 2026-GOST Tools C1C4A Axial, Coolant HSK-F Shrink Fit Chuck 4.5° Shrink Chuck Set HSK-T Turning Tool PDJNR | PDJNL 55°/93° VDI Radial Driven Head, DIN 5482 Clamping Kits 58 PCS Shrink Fit Chuck Working Principle HSK Hydraulic Chuck, Slim WN Inserts Sitemap Tool Holder Cleaning Device CNC Shrink Fit Chuck NDC Collet Axial Holder Form C3 Inverted Right SKS Collet Chuck DIN 69871 Combi Shell Mill Holders ANSI B5.50 End Mill Holder Weldon DIN2080 Quick Change Tapping Chuck 2026-VDI Tools C1C4AK Axial, Coolant, Wedge Clamping Holders 2 Piece Slim Shrink Chuck Body DIN 69871-ISO Tool Holders HSK-T Turning Tool DDNNN 62.5°/55°/62.5° VDI Axial Driven Head, Offset, DIN 5482 Balluff Data Carrier How To Test Runout Accuracy Of Er Tool Holders? C Hydraulic Chuck, Slim Blade Milling Insert 404 ANSI B5.50 SCAT/CAT Tool Holders Features of Hydraulic Chuck BBT Weldon End Mill Holders Axial Holder Form C4 Inverted Left DIN 69871 End Mill Holder Weldon Tool Holders Trolley C2C3A Axial, Coolant 2 Piece Slim Shrink Chuck Extension Face Mill Holder Inch ANSI B5.50 End Mill Holder with Coolant Channels HSK-T Turning Tool PDNNN 62.5°/55°/62.5° VDI Radial Driven Head, Offset, DIN 5482 DC Collet The Operation Steps Of Shrink Fit Tool Holder Loading Are As Follows BT Hydraulic Chuck, Power Design Privacy Policy DIN 69893 (ISO 12164) HSK-A Tool Holders Hydraulic Chuck Standard Face Mill Holder BBT Morse Taper Adapter With Tang Shrink Fit Tool Holders Introduction We Can Produce Approximately 30,000 - 50,000 Tool Holders Per Month Straight Shank Tool Holders Rectangular Holder with Multiple Seats Form D1 DIN 69871 End Mill Tool Holder with Coolant Channels ANSI B5.50 Morse Taper Adapter with Tang 2026-BMT Tools Driven Tool Holder 2 Piece SK Slim Shrink Fit Chuck Shrink Chuck, 3°, Slim, Form A HSK-T Turning Tool DDUNR | DDUNL 93°/55° VDI Axial Driven Head, TOEM Tapping Collet without Cluth, Metric SK Hydraulic Chuck, Power Design Submission Successful! Power Milling Chuck Machine Tool Holders Rectangular Holder with Multiple Seats Form D2 Inverted Combi Shell Mill Holder DIN 69871 End Mill Holder Whistle Notch ANSI B5.50 Tool Holders Adapter Sleeve DIN 69893 ER Collet Chuck with UM Nut 2026-Driven Tools D1D2A Rectangular Holder, Coolant Shrink Chuck, 3°, Slim, Form B HSK-T Turning Tool PDUNR | PDUNL 93°/55° VDI Radial Driven Head, TOEM Tapping Collet without Cluth, Inch HSK Hydraulic Chuck, Power Design Taggg Sales Team BBT Tool Holders Adapter Sleeve CNC Tool Milling/Turning Tapping Collet with Cluth, Metric Boring Holder for Indexable Insert Drill Form E1 DIN 69871 Morse Taper Adapter with Tang DIN 69893 ER Collet Chuck with Hex Nut 2026-Boring Tools ARALU Cuting Off Tool Holders, Coolant Shrink Chuck, 3°, Regular, Form A ANSI B5.50 Drill Chuck Adapter HSK-T Turning Tool DSBNR | DSBNL 90°/75° VDI Axial Driven Head, Offset, TOEM BT Hydraulic Chuck, Short Search Result Products Machine Tools Exhibition 2019 Boring Holder Form E2 DIN 69871 Morse Taper Adapter with Drawbar ANSI B5.50 APU Drill Chuck Holders DIN 69893 ER Collet Chuck with Mini Nut ALARU Cuting Off Tool Holders, Coolant Shrink Chuck, 3°, Regular, Form B End Mill Holder HSK-T Turning Tool PSBNR | PSBNL 90°/75° VDI Radial Driven Head, Offset, TOEM Main Catalog SK Hydraulic Chuck, Short 2026-Anti Vibration Search Result Others BRIGHT-TOOLS Exhibitions In 2018 Hydraulic Tool Holder Tapping Collet with Cluth, Inch Boring Bar Holder Form E2S End Mill Holder with Coolant Channels DIN 69871 Tool Holders Adapter Sleeve ANSI B5.50 Precision Drill Chuck Holders DIN 69893 HSK-A Power Chuck Shrink Chuck, 3°, Regular, Coolant HSK-T Turning Tool DSSNR | DSSNL 45°/90° VDI Axial Driven Head, STEPPED HAAS Subclass Catalog BT Hydraulic Chuck, for Mould 2026-Cutters BRIGHT-TOOLS Exhibitions In 2017 BBT Precision Drill Chuck Holders BRIGHT-TOOLS Shrink Fit Tool Holders OZ Collet Chuck Form E3 End Mill Holder Whistle Notch ANSI B5.50 Quick Change Tapping Chuck DIN 69871 Drill Chuck Adapter 2026-Tool Holder Accessory Shrink Chuck, Curved HSK-T Turning Tool PSSNR | PSSNL 45°/90° VDI Radial Driven Head, STEPPED HAAS SK Hydraulic Chuck, for Mould HSK Power Milling Chuck BRIGHT-TOOLS Annual Travel Morse Taper Adapter with Tang DIN 69871 APU Drill Chuck Holders ANSI B5.50 Screw-in Milling Cutter Holder DIN 69893 OZ Collet Chuck ER Collet Chuck Form E4 BT Shrink Chuck, Curved HSK-T Turning Tool DVPNR | DVPNL 117.5°/35° VDI Axial Driven Head, Offset, STEPPED HAAS HSK Hydraulic Chuck, for Mould MQL1 Channel Length Setting Screws BRIGHT-TOOLS 2016 New Products About Hydraulic Tool Holder Morse Taper Adapter with Drawbar DIN 69871 Precision Drill Chuck Holders ANSI B5.50 Screw-in Milling Cutter Holder,Straight DIN 69893 TG Collet Chuck 2 Piece SK Slim Shrink fit Chuck, Coolant HSK-T Turning Tool DVUNR | DVUNL 93°/35° VDI Radial Driven Head, Offset, STEPPED HAAS SK Hydraulic Chuck, for Grind Double Boring Bar Holder, Right MQL1 Channel Coolant Supply Set BRIGHT-TOOLS Spring Outing Tool Holder Adapter Sleeve BBT Runout Adjustable Flange Adapter DIN 69871 Quick Change Tapping Chuck ANSI B5.50 Runout Adjustable Flange Adapter DIN 69893 Precision Screw Collet Chuck HSK-T Turning Tool DVVNN 72.5°/35°/72.5° BMT Driven Head, DIN 1809 MTB Hydraulic Chuck Double Boring Bar Holder, Left MQL2 Channel Length Setting Screws BRIGHT-TOOLS Exhibitions In 2016 Morse Taper Adapter Form F Drill Chuck Adapter DIN 69871 Screw-in Milling Cutter Holder ANSI B5.50 UM Adjustable Tool Holders DIN 69893 Pull Back Collet Chuck HSK-A Shrink Chuck, Curved HSK-T Turning Tool DWLNR | DWLNL 95°/80° VDI Driven Head, DIN 1809 MQL2 Channel Coolant Supply Set Hydraulic Chuck, Module APU Drill Chuck Holder What is Shrink Tool Holders? Rectangular Blank Form A1 DIN 69871 Screw-in Milling Cutter Holder, Straight ANSI B5.50 Alignment Tool For ATC Arm DIN 69893 SKS Collet Chuck 2026-M Tools HSK-T Turning Tool PWLNR | PWLNL 95°/80° HSK-E Shrink Chuck, Curved VDI Driven Head, DIN 5480 Hydraulic Collet, Sealed Shrink Fit Chuck, Module Precision Drill Chuck Holder Accuracy Inspection of Heat Shrinkable Tool Holder Round Blank Form A2 DIN 69871 Runout Adjustable Flange Adapter ANSI B5.50 Boring Bar Blank DIN 69893 Face Mill Holder Hydraulic Sealed Collet HSK-F Shrink Chuck, Curved Milling Tool Holders in Medical Device Manufacturing: a Vital Component VDI Driven Head, DIN 5482 BBT Spindle Test Arbor Shrink Fit Tool Holder Cutting Off Tool Holders Right Height Adjustable Quick Change Tapping Chuck DIN 69871 UM Adjustable Tool Holders ANSI B5.50 Spindle Test Arbor DIN 69893 Face Mill Holders HSK-T Turning Tool DDQNR | DDQNL 107.5°/55°, Long From Woodworking to Metalworking: Collet Chuck Holders' Versatility VDI Driven Head, TOEM BARUFFALDI Hydraulic Collet with Coolant Channels Screw-in Milling Cutter Holder Shrink Fit Chuck Shrink Fit Tool Holders Cutting Off Tool Holders Left Height Adjustable DIN 69871 Boring Bar Blank DIN 69893 Combi Shell Mill Holders HSK-T Turning Tool PDQNR | PDQNL 107.5°/55°, Long Elevating Electronics: CNC Cutting Tool Holders in PCB Fabrication VDI Driven Head, STEPPED HAAS ANSI B5.50 Alignment Tool for ATC Arm Hydraulic Chuck Tool Holder Cuting Off Tool Holders Inverted Right Height Adjustable DIN 69871 Spindle Test Arbor DIN 69893 End Mill Holder Weldon 2 Piece HSK-A Slim Shrink Fit Chuck Screw-in Milling Cutter Holders, Straight HSK-T Turning Tool SCLCR | SCLCL 95°/80° CNC Tool Holder Manufacturers: Enhancing Medical Device Manufacturing with Precision and Quality Hydraulic ER Collet Runout Adjustable Flange Adapter Shrink Fit Tool Holding Cutting Off Tool Holders Inverted Left Height Adjustable DIN 69871 Alignment Tool For ATC Arm DIN 69893 End Mill Holder with Coolant Channels HSK-T Turning Tool SCMCN 50°/80°/50° Boosting Productivity with Shrink Chuck Technology UM Adjustable DIN 69893 End Mill Holder Whistle Notch HSK-T Turning Tool SDHCR | SDHCL 107.5°/55° The Role of Shrink Chucks in CNC Precision SK Alignment Tool for ATC Arm Classification of Heat Shrinkable Tool Holders CMM Inspection Dynamic Balancing Protection Plug Form Z2 Alignment Tool For ATC Arm HSK-T Turning Tool SDNCN 62.5°/55°/62.5° Shrink Chucks in High-Performance Machining Hydraulic Chuck, Module Boring Bar Blank DIN 69893 Morse Taper Adapter with Drawbar HSK-T Turning Tool SDJCR | SDJCL 93°/55° Exploring the Advantages of Shrink Chucks Spindle Test Arbor DIN 69893 Tool Holders Adapter Sleeve HSK-T Turning Tool SDUCR | SDUCL 93°/55° Shrink Fit Chuck Shrinking for Success: Shrink Chucks in Aerospace Manufacturing DIN 69893 APU Drill Chuck Holders HSK-T Turning Tool SSBCR | SSBCL 75°/90° Hydraulic Chuck Beyond Tight Tolerances: Shrink Fit Collets in Aerospace Engineering BT Alignment Tool for ATC Arm The Machining Process of Hydraulic Tool Holder DIN 69893 Precision Drill Chuck Holders 2 Piece HSK-A Slim Shrink fit Chuck, Coolant HSK-T Turning Tool SSSCR | SSSCL 45°/90° ER Collet Chuck Shrink Fit Collets: Revolutionizing Automotive Production Precision ER Collet Chuck BRIGHT-TOOLS Shrink Fit Chuck DIN 69893 Quick Change Tapping Chuck HSK-T Turning Tool SVPBR | SVPBL | SVPCR | SVPCL 117.5°/35° End Mill Holder Shrink Fit Collets: Revolutionizing Precision Machining ER Collet DIN 69893 Screw-in Milling Cutter Holder, Straight HSK-T Turning Tool SVUBR | SVUBL | SVUCR | SVUCL 93°/35° Tool Holder Shrink Fit Collets in Construction and Infrastructure Tool Holder Adatper Sleeve How are ER Tool Holders Processed and Used? DIN 69893 Screw-in Milling Cutter Holder HSK-T Turning Tool SVVBN | SVVCN 72.5°/35°/72.5° IMTS 2024 Shrink fit Machines DIN 69893 Runout Adjustable Flange Adapter HSK-T Turning Tool SVJBR | SVJBL | SVJCR | SVJCL 93°/35° Principle and Advantages of Heat-Shrink Tool Holders DIN 69893 UM Adjustable Tool Holder HSK-T Turning Tool Long SDQCR | SDQCL 107.5°/55° Performance and Application of Hydraulic Holders DIN 69893 Alignment Tool For ATC Arm HSK-T Turning Tool Long SVQCR | SVQCL 107.5°/55° Features and Types of BRIGHT-TOOLS BMT Tool Holders DIN 69893 Boring Bar Blank 2 Piece HSK-E Slim Shrink Fit Chuck Turning Center and Driven Tool Holders DIN 69893 Spindle Test Arbor 2 Piece HSK-F Slim Shrink Fit Chuck How Is the High-Performance Driven Tool Holder Working Principle of the HSK E50 Tool Holder Types of HSK Tool Holders Advantages and Applications Analysis of Power Milling Chucks DIN 69893 (ISO 12164) HSK-E Tool Holders CNC Machining Tool Holder Hydraulic Chuck Advantages and Applications of Shrink Fit Collect DIN 69893 (ISO 12164) HSK-F Tool Holders Characteristics and Functions of Driven Tool Holders That Beginners Need to Know Shrink Fit Chuck BRIGHT-TOOLS DIN69893 (ISO12164-1)-HSK-T Tool Holders What are the Characteristics of Hydraulic Chuck? How does the Operation Principle of Hydraulic Chuck Works? DIN2080-NT Tool Holders BRIGHT-TOOLS Shrink Fit Collet Tool Holder for CNC Machine Center The Application Taboos of Installing Hydraulic Collet GOST 25827-93 Tool Holders Hydraulic Milling Chuck What is Shrink Fit Tool Holders? Shrink Fit Chuck Do You Know What Heat Shrink Tool Handles Look Like? GOST 25827-93 ER Collet Chuck Innovative Design and Application of Heat Shrink Tool Holders GOST 25827-93 Power Milling Chuck Application of Heat Shrink Holders in Mold Machining Selecting CNC Holder GOST Power Milling Chuck What Are The Classifications Of Heat Shrinkable Tool Holders? Advantages of Using VDI Tool Holders in CNC Turning Shrink Fit Chuck Classification of Heat Shrinkable Tool Holders GOST 25827-93 Face Mill Holders Application Scenarios of Hydraulic Holders GOST 25827-93 Combi Shell Mill Holders Summary of Knowledge Points on Hydraulic Holders DIN 69893 (ISO 12164) HSK-F ER Collet Chuck GOST 25827-93 Weldon End Mill Holders Hydraulic Holder: A High-Precision Tool for Manufacturing DIN 69893 (ISO 12164) HSK-F OZ Collet Chuck GOST 25827-93 Morse Taper Adapter with Tang Knowledge Related to CNC Holders DIN 69893 (ISO 12164) HSK-F Face Mill Holders GOST 25827-93 Morse Taper Adapter with Drawbar Comparison of the Performance of Different Types of Tool Holders DIN 69893 (ISO 12164) HSK-F Weldon End Mill Holders GOST 25827-93 APU Drill Chuck Holders BBT Tool Holder Structural Design and Its Application on CNC Machine Tools Shrink Chuck Tool Holders Machine Tool Accessories DIN 69893 (ISO 12164) HSK-F Morse Taper Adapter with Tang GOST 25827-93 Quick Change Tapping Chuck Safe Operation and Maintenance Procedures for Heat Shrink Tool Holder How Do Heat Shrink Tool Holders Work? DIN 69893 (ISO 12164) HSK-F Precision Drill Chuck Holders Difference and Application Analysis of Spinning Tool Holder and Hydraulic Holder DIN 69893 (ISO 12164) HSK-F Boring Bar Blank The Difference Between BT and BBT Tool Holders DIN 69893 (ISO 12164) HSK-F Spindle Test Arbor Working Principle and Safe Operation of Hydraulic Holder Principle and Advantages of Heat Shrink Tool Holders How to Ensure Processing Safety When Using an HSK Tool Holder? Structure and Advantages of HSK Tool Holders HSK Tool Holder: The Secret Weapon for Efficient Machining What Is the Minimum Clamping Length of Heat Shrink Tool Holders? Function and Importance of VDI Toolholder Hydraulic Tool Holder: An Excellent Choice for High-Precision Machining Bright-Tools: A Leader in Tool Holder Manufacturing Standard and Function of HSK Coolant Tubes CIMT2025 CHINA INTERNATIONAL MACHINETOOL SHOW Differences Between BT Holder and SK Tool Holder Advantages and Principles of Heat Shrink Tool Holder Features and Advantages of SK Tool Holder DIN 69880 VDI Tool Holder: The Ideal Choice for High-Precision Machining ​HSK Tool Holder Design vs DIN 69871 Tool Holder: What's the Real Difference? EMO 2025 Booth No. Hall4, D58 Bright-tools BMT Tool Holder System: The Ideal Choice for Precision Machining Core Advantages of CNC Milling Tool Holders Various Applications of Heat-Shrink Tool Holders Applications of VDI Tool Holders What Is an SK50 Tool Holder? Hydraulic Chuck – Types & Features Advantages of the HSK E40 Tool Holder Services
Bright-Tools, Bright-Future
Skype: :
sdjinjie101
Address :
253000, Chongde 5th Avenue, Gaotie New District, Dezhou, Shandong, China.